Schéma électrique de Next génation et BW's

Écrit par
Le 06 Décembre 2011 à 15:43
Je vous présente un faisceau électrique provenant de mon Bac Pro mécanique moto. Je le publie sur Mobcustom car ça peut toujours aider !

Shéma électrique ou faisceaux électriques de Speed

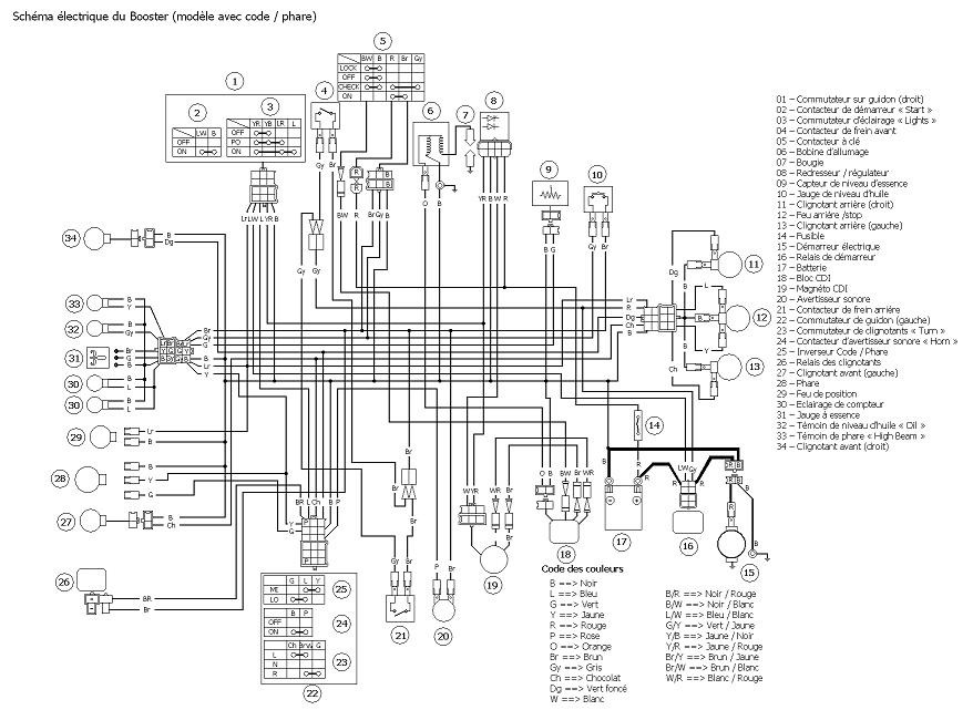
Bonjour, je suis en Bac Pro option moto et j'étudie les pannes électriques en ce moment. Je dispose d'un schéma de faisceau électrique de Scooter : Speed Fight et Buxy etc. Je sais que les faisceau électrique son bien compliqués et très souvent en panne à cause de faux-contact ou autres ! Je fais partager, ça peut vous être bien utilise si vous vous trouvez dans ce genre de situations.

Une panne de courant, un petit coup de pouce


Lien pour consulter le schéma électrique
, il est également disponible en cliquant sur la vignette de ce paragraphe ou en téléchargement pour qui aurait besoin d'un maximum de précision.

Je peux aussi avoir les schémas pour Booster set autres modèles, Il suffit de me demander.

A vous les studio !

Vous avez aimé cet article ?

Votez pour cet article
(3 votes, moyenne : 4,7 / 5)
26,0 kVues
0
Vote
Partager
6 commentaires ajouter un commentaire
mor Le 24 Février 2012 à 02:38
salut j'aurai aimé avoir un shéma simplifier pour mon spirit en sachan que je veut juste qu'il démard au kik donc le plus simple possible tant qu'il démar merci d'avance
naunau22 Le 29 Mars 2012 à 18:57
ben tu prend celui-ci et tu le simplifie
Hey Duster Le 25 Juin 2012 à 12:34
Salut j'aurais besoin du faisceau de spirit 2003 et apres 2003 s'il te plait merci
yoce47 Le 05 Septembre 2013 à 14:54
bonjour, je recherche un shema electrique pour mbk bws de 2005, cest assez urgent, merci d'avance de votre aide !
v6omega Le 07 Août 2019 à 16:06
bonjour ou avoir le schema electrique du bw,s de 2000 urgentcar pas d alimentation commande guidon gauche donc pas de clignotant klaxon et phare car faisceau a ete couper et modifier.merciiii

Top produits du moment

naunau22
Replay-beta
mor
Hey Duster
yoce47
v6omega

Inscription

Scootcustom est un site du réseau Social3W de 10 communautés

OU

Connexion

Scootcustom est un site du réseau Social3W de 10 communautés

OU
Pas encore inscrit ? S'inscrire